
小型单管螺旋喂料机的规格一般有:100mm、120mm、150mm、200m、250mm、300mm、350mm、400mm等,长度从4米到70米,适合较小输送量的用户.
全国统一销售热线
免费获取报价

小型单管螺旋喂料机的规格一般有:100mm、120mm、150mm、200m、250mm、300mm、350mm、400mm等,长度从4米到70米,适合较小输送量的用户,主要用于水平、倾斜或垂直输送粉状和颗粒状物料,给料粒度≤5mm,具有轻便、防尘的特点,可根据用户要求定制不同直径、不同长度、不同倾角,并可配套安装调速电机,以连续地调节转速,达到定量给料的目的。

小型单管螺旋给料机非粘性的粉状、粒状及小颗粒物料从料仓及其它贮料设备中均匀地把料喂给受料设备,同时具有输送、密封、均化、搅拌作用,是水泥生料均化,料仓密封喂料中常用设备,被广泛使用在各种工业部门,如建材、电力、化工、冶金、煤炭、铝镁、机械、轻工、粮食及食品行业,适用于水平、垂直或倾斜输送粉末、颗粒及小块状物料,如水泥、煤粉、粉煤灰、面粉、饲料、粮食等。


1、输送量可达64立方/时,长度4-70米,可根据用户要求定制。
2、没有中间的吊轴承,因此在输送物料过程中不易出现阻塞和卡料现象,下料均匀、稳定。
3、可中间多点装料和卸料。
4、可以水平安装,也能适应有角度的工况环境,甚至可以实现垂直输送。
5、采用了密闭的结构,避免了粉尘对环境的污染,同时改善了劳动条件。

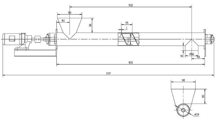
小型单管螺旋给料机主要由传动装置、进料口、螺旋轴、输送管、出料口等部分组成。


物料经进料口输送到单管螺旋给料机的壳体后,物料在内部螺旋槽内受到离心力与管壁摩擦力的作用,随着螺旋叶片一起转动,并在重力的作用下沿螺旋槽下滑,从而使物料不断向前推进输送,最终均匀地由出料口排出。


小型单管螺旋给料机调试、维护与保养
1、为了防止起动过载,必须保证要空载起动, 即管式螺旋给料机在输送管内无输送物料时起动,起动后方可输送物料。
2、安装完毕后用手转动调整旋扭,待螺旋轴 运转一圈后,看有无卡阻现象,一切正常后,开车试运转。
3、试运转时,看传动件是否有松动、杂音、 振动等异常现象,确认无误后投料生产。
4、试运转时将滑差调速电机控制器的调速旋扭旋到转速Z小处,待转动正常时,将调速旋扭由小向大转动,看螺旋轴转速变化是否正常,如有异常,应查明原因,解决问题后再开车调试。
5、被输送的物料不得混入坚硬的大块物料,以免加料时卡住螺旋造成管式螺旋给料机的损坏。
6、轴承内应用3#钙基油润滑,三个月换油一次,加入量为轴承内空间体积的2/3为宜。
7、当连续运转三个月后,应进行一次检查保养,目的是检查它的完整清洁情况,防止机件的过度磨损,延长机件的寿命。
Copyright ? 2008-2019螺旋输送机厂家-新乡市大汉振动机械有限公司 All Rights Reserved 版权所有
网站备案号:豫ICP备09002479号-47

